说明:
功率器件损耗与好多因素相关,比如工作电流,电压,驱动电阻。在出设计之前评估电路的损耗有一定的必要性。在确定好功率器件的驱动参数后(驱动电阻大小,驱动电压等),开关器件的损耗基本上是器件上的电压和电流的函数。用理想的开关器件进行仿真,可以获取器件在工作过程中的电流及电压,然后通过查表就可以等到开关器件的瞬时的损耗。
Psim或者Plecs都就是通过以上的方法去估算器件损耗。本文是描述在Psim下的,损耗仿真过程。
本文档描述使用Psim损耗计算工具方法。Psim损耗模型是一个基于规格书描述的损耗行为模型,模型不考虑开关的具体的物理特性,只考虑开关过程中损耗与器件的伏安相关的关系。IGBT的损耗是使用lookup table方式损耗求解。
本文档将描述如何从IGBT的datasheet上获取所需的数据。
本文涉及到软件工具包括:Simetrix , python, Psim


选择图表




描点

点击Continue

Complete 命名保存
PSIM的DEV参数录入


新建IGBT新模板
填写耐用和额定电流的参数,这两个参数不会影响仿真
接下来填写Eon,Eoff ,Erec等数据,这些数据在上一步的数据提取中已经保存到对应的文件中。

现在需要将对应的参数填写如相应的列表中


注意填写的格式
如果填写的数据比较多,可以使用python脚本进行处理。将一下脚本复制并保存为.py的文件。将该文件放到,数据文件同一目录。运行脚本可以得到对应的输出。使用python3 可以运行以下脚本。
if __name__=="__main__":
with open("Eoff.txt","r") as test:
data=test.readlines()
string=''
i=0
for dat in data:
if i==0:
pass
else:
temp1=dat.split("\n")[0]
temp=temp1.split("\t")
print(temp)
string=string+"("+temp[0]+','+temp[1]+')'
i+=1
print(string)

复制输出结果
Eon Eoff Erec,数据需要填写测试条件。如果没有填写仿真过程会报错。另外对于IGBT有时候是不会提供Erec数据,或者Erec数据合在Eoff中时,Erec可以不填写,通常小功率的IGBTdatasheet不会提供对应的规格参数数据。
如果需要得到更准确的损耗模型,以上的参数可通过脉冲测试方法提取。关于脉冲实验,可以参考以下连接
https://www.keysight.com/us/en/assets/7018-06616/data-sheets/5992-3942.pdf
http://www.igbt8.com/qd/22.html


填写测试条件
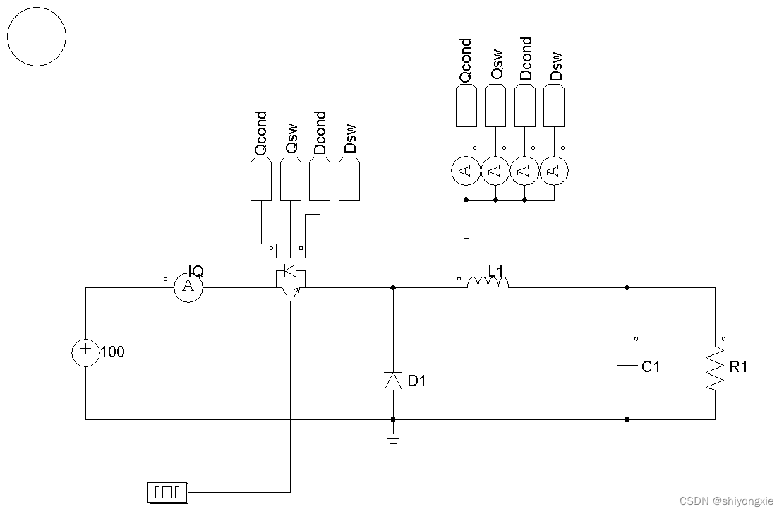
填写好所有的参数后可以将仿真模型加入对应的电路上进行仿真。

调入热模型

建立模型,损耗值Psim会以电流方式输出,如果需要评估节温可以让损耗的输出接入到对应的损耗热阻模型就可以。热阻模型参数一般不容易获取,所有温升结果只能做为参考,规格书给出一般是foster模型,foster模型是一个数值拟合的模型本身没有物料意义,所以不需要太在乎器数值。

设置IGBT热模型的参数
Device 选择建立好的模型,Frequency 与开关的频率应当保持一致,如实例中的开关频率为30kHz,热模型的frequency填写30kHz。

选择之前建立好的损耗模型

仿真结果
对于MOSFET 也可以应用以上的步骤来提取对应的Mosfet的损耗损耗模型

填写相应的表格即可
有些时候Gfs这个参数规格书上没有给出来,这时候可以在Vge VS Ids的曲线上计算得到。
通常情况下,Gfs这个参数时在MOSFET的额定电流附近测试。所以获取gfs的参数时只有求取额

定电流下的Gfs就可以。具体获取方法:
1.使用Simetrix数据提取工具,获取VgeIds曲线


这里选择CSV文件,方便直接用excel处理

根据得到的拟合数据得到设定的Gfs
如电流为5A时的Gfs为5
填写完对应的数据后将MOSFET模型保存。
模型使用的方法与IGBT的使用方法类似,这里不赘述。
如果你使用的是Plecs,基本的方法或者思路与上述的方法类似;不过Plecs没有直接的MOSFET的模板,使用起来不太方便。