往期周报汇总地址:嵌入式周报 - uCOS & uCGUI & emWin & embOS & TouchGFX & ThreadX - 硬汉嵌入式论坛 - Powered by Discuz!

目录
6、Microchip推出的家电安全标准IEC 60730培训视频
9、Embedded Studio 6.40支持了导入CMake Ninja工程,也支持Cortex-M85了
视频版:
https://www.bilibili.com/video/BV1ND4y187ps
1、开源回流焊主控
网站介绍:Reflow Master Pro
看效果也是魔改了一个烤箱,实际效果还不错。

接上烤箱的效果:


2、逆向工程师对波音787适航指令的看法
A Reverse Engineer’s Perspective on the Boeing 787 ‘51 days’ Airworthiness Directive | IOActive
虽然很多细节,作者也搞的不是很清楚,但是作为一篇了解航空电子和软件方面普及贴还是非常不错的。

3、首发开源跨平台电路仿真软件
https://github.com/ra3xdh/qucs_s/releases/tag/1.0.0
这个是作者刚发布的,还热乎着,当前支持Windows和Linux平台

我也安装了64bit版本测试了下,真不错

4、开源用于电气化学的电位仪
Rodeostat: open source potentiostat – IO Rodeo
iorodeo-potentiostat — iorodeo-potentiostat 0.0.1 documentation
规格:
电流测量范围:+/- 1, 10, 100, 1000uA
输出电压范围:+/- 1、2、5、10V

效果:

重点是他们的文档做的非常强,很详细,不可多得的学习素材

5、图形化设计FFmpeg过滤器设计
FFmpeg.guide - One stop solution to all things FFmpeg
FFmpeg提供了很多音视频特效处理,比如缩放,叠加,裁剪,旋转等各种玩法。
通过这个这个在线配置,大家可以方便设计

6、Microchip推出的家电安全标准IEC 60730培训视频
Class B Diagnostic Libraries For Functional Safety
大家简单注册下,就可以在线查看了。
在设计家用电器产品时,安全性是一个重要标准,IEC 60730安全标准定义了安全要求

7、CMSIS-Toolbox升级至V1.2.0
GitHub - Open-CMSIS-Pack/cmsis-toolbox: CMSIS-Toolbox
https://github.com/Open-CMSIS-Pack/devtools/blob/main/tools/README.md
第1次了解到还有这么个软件包可以安装,主要作用是创建,维护,分发和安装软件包,并且可以使用各种编译工具的接口构建项目。
更像是要给统一各种编译器开发方式的工具。

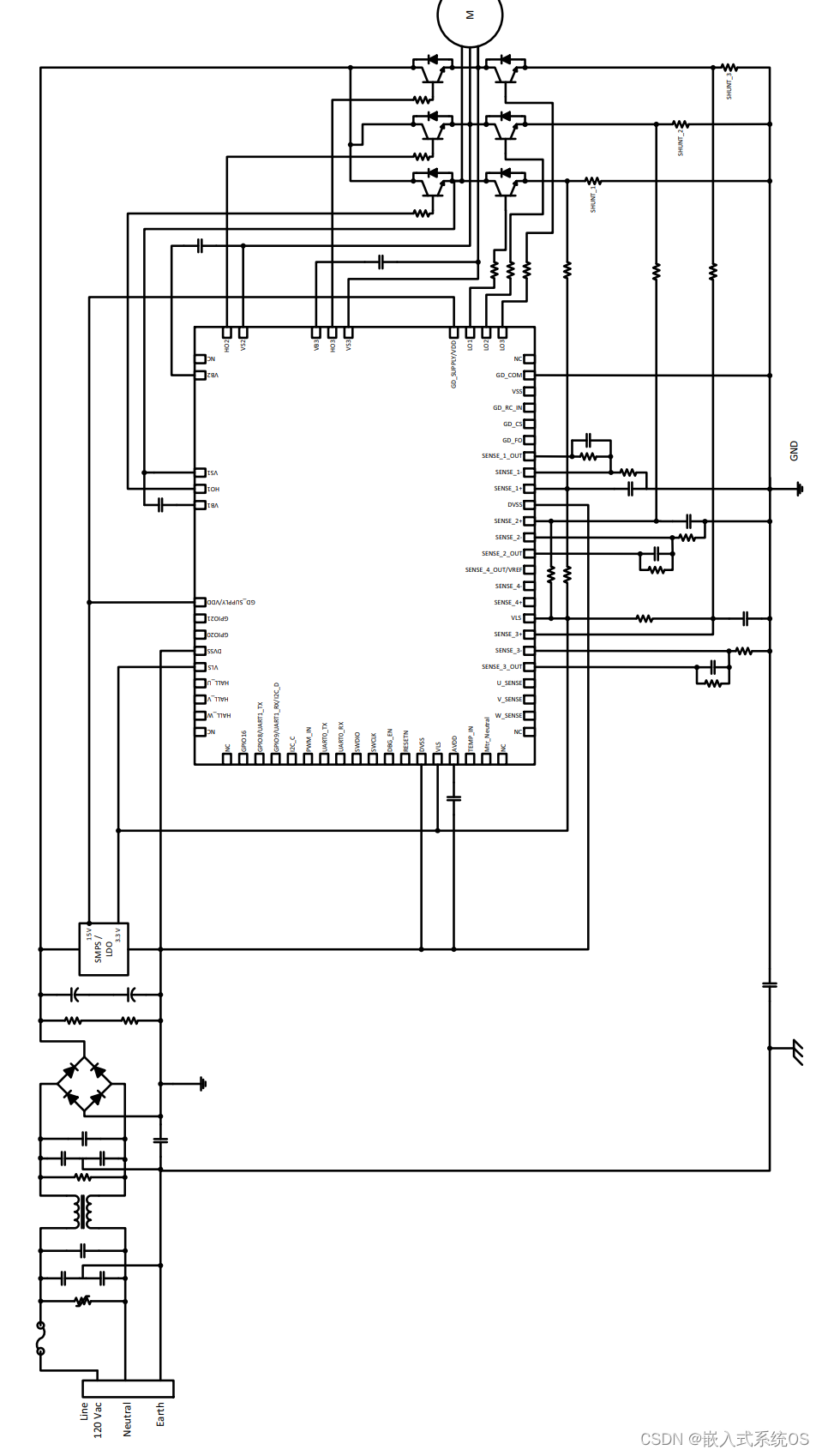
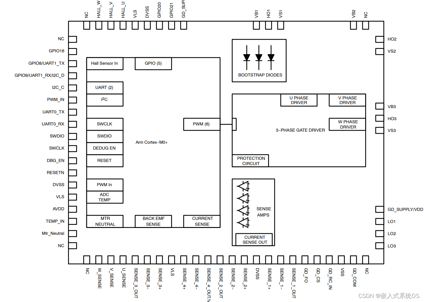
8、安森美推出ecoSpin系列,重新定义无刷直流电机控制
安森美通过将控制和驱动功能整合在一个完整的系统级封装(SiP)中,简化了用于暖通空调(HVAC)、制冷和机器人等应用中的高压电机控制系统的开发。
ecoSpin系列的首个器件是ECS640A,这是一款三相BLDC电机控制器,可在高达600 V的高压下可靠地运行。小尺寸的ECS640A含可靠的栅极驱动器、Arm® Cortex-M0+微控制器、三个检测放大器、三个升压二极管,并支持有传感器或无传感器电机控制架构。

9、Embedded Studio 6.40支持了导入CMake Ninja工程,也支持Cortex-M85了
前几天更新记录没有显示出来,这几天能看了

10、Weebit Nano成功通过ReRAM模块认证
Weebit Nano successfully qualifies its ReRAM module | Weebit
ReRAM代表电阻式RAM,将DRAM的读写速度与SSD的非易失性结合于一身。
下一代存储器技术开发商Weebit Nano表示,它已成功完成其研发合作伙伴CEA-Leti制造的电阻式随机存取存储器(ReRAM)模块的全面技术认证。证明了Weebit的ReRAM的质量、可重复性和可靠性,并确认了其作为嵌入式IP的批量生产的适用性。

11、瑞昱IoT解决方案推出全新第五代Ameba E系列
瑞昱半导体发表全新第五代Ameba E系列解决方案 重新定义智能、互动、连接 - 瑞昱半导体
Ameba E系列分别为Ameba Lite:RTL8720E、Ameba Lite Plus (RTL8726E)及Ameba Smart (RTL8730E),支持智能语音、双核运算、Wi-Fi 6、蓝牙5.3、Matter等最新技术,能轻松有效的升级智能家庭系统

12、超炫酷的双语音模拟合成器
刚分享不久,开源还要过一段时间,不过效果确实帅

13、ThreadX全家桶升级至V6.2.0
ThreadX内核及其所有中间件都进行了升级。
(1)内核方面,大量更新port文件,同时posix封装层开始支持64bit
(2)网络协议栈开始支持WebSocket,同时支持mqtt over websocket
(3)USB协议栈方面,大部分协议开始支持裸机方式。
(4)其它几个组件更新较少。

14、H7-TOOL本周进展
(1)增加新的脱机烧录芯片支持中。
(2)完成H7-TOOL的RTX5内核Trace功能,含任务执行情况和信号量,互斥信号,消息队列,事件标志组.
RTX5的Trace花了差不多两周时间才完成,套路太多。内核的设计和传统的RTOS不同,传统的都有完整的链表管理,RTX5没有,非常分散。
初步效果如下:

下面是之前做的uCOS-III Trace

ThreadX Trace

下一步开始添加FreeRTOS的Trace支持。